Přímotlakové tryskací kabiny NORMFINISH DP
Tryskací kabiny NORMFINISH DP s přímým tlakovým systémem se řadí mezi nejmodernější a nejkvalitnější tryskací zařízení. Jsou určeny pro širokou škálu aplikací za sucha, od jemného až po razantní tryskání - čištění, odstraňování rzi, starých nátěrů, vodního kamene, odstraňování otřepů, sjednocování povrchu, zdrsňování, zpevňování povrchu (shotpeening) a další operace.
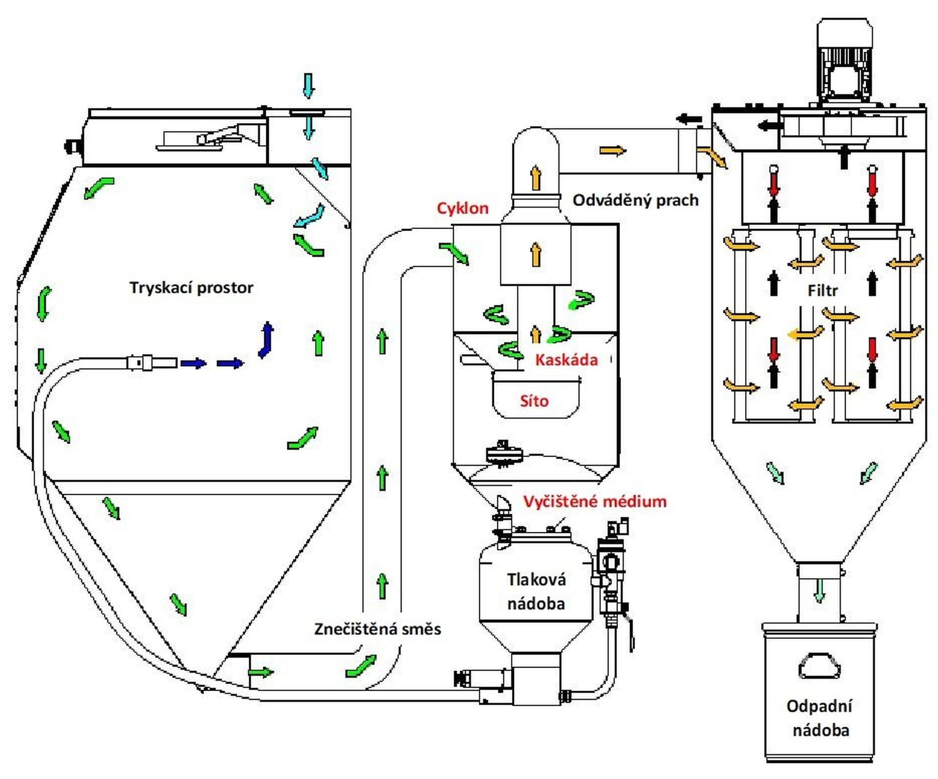
Pískovací kabiny řady DP mohou pracovat se všemi běžnými druhy tryskacích materiálů, kovovými i nekovovými. Jsou vybaveny automatickým systémem recyklace abraziva a cyklonovým odlučovačem pro jeho účinné čištění. Tím se snižuje opotřebení stroje a zlepšuje viditelnost v tryskacím prostoru. Systém, vybavený tlakovou nádobou, směšovací komorou a dávkovacím válcem, zajišťuje optimální mix stlačeného vzduchu a abraziva pro účinné tryskání.
Výhody
kompaktní pevná a ergonomická konstrukce, snadno přemístitelná, nevyžaduje žádné základy
dvoje dostatečně velké dveře s bezpečnostními senzory
použití všech běžných typů tryskacích materiálů, široká škála aplikací
integrovaný systém recyklace tryskacího média v cyklonovém odlučovači s regulovatelnou separací prachu
filtrační patrony s průběžným čištěním vzduchovými impulzy - zbytkový obsah prachu ve výstupním vzduchu je menší než 1,8 mg/m3
plynulá regulace pracovního tlaku z trysky
tlakoměry zobrazující tlak tryskání a tlak na přívodu do zařízení
jednoduchá výměna tryskacího materiálu za jiný
ofukovací pistole pro očištění
snadná výměna krycího skla průhledového okna

Volitelná výbava
Tryskací kabiny lze dodat s řadou volitelného příslušenství, například:
otočný buben pro automatické tryskání malých dílů
otočný stůl pro snadné otáčení těžkých dílů, k dispozici i s kolejnicovým systémem
dveře s úpravou pro dlouhé obrobky
HEPA filtr
zařízení s více tryskami, stacionárně upevněné
otočný stůl s pohonem
speciální ochrana vnitřku kabiny s vysokou otěruvzdorností (PVC)
počítadlo provozních hodin
Technické parametry
Model | NORMFINISH DP12 | NORMFINISH DP14 | NORMFINISH DP17 | NORMFINISH DP22 |
|---|---|---|---|---|
typ tryskání | tlakové | tlakové | tlakové | tlakové |
celkové rozměry | 1285 x 1520 x 2106 mm | 1485 x 1620 x 2191 mm | 1850 x 2090 x 2360 mm | 2350 x 2090 x 2360 mm |
rozměry tryskacího prostoru | 1100 x 930 x 830 mm | 1370 x 1020 x 890 mm | 1700 x 1400 x 1100 mm | 2200 x 1400 x 1100 mm |
rozměry dveří | 830 x 720 mm | 920 x 780 mm | 1290 x 990 mm | 1290 x 990 mm |
pracovní výška | 810 mm | 810 mm | 790 mm | 790 mm |
hmotnost | 510 kg | 705 kg | 1180 kg | 1430 kg |
maximální zátěž | 500 kg | 500 kg | 1000 kg | 1000 kg |
napájení | 3x400 V|50 Hz |1,2 kW | 3x400 V|50 Hz |1,6 kW | 3x400 V|50 Hz |3,3 kW | 3x400 V|50 Hz |3,3 kW |
osvětlení | 1 x 50 W LED | 1 x 50 W LED | 2 x 50 W LED | 2 x 50 W LED |
filtrační patrony | 2 x 4 m² | 3 x 4 m² | 2 x 21 m² | 3 x 21 m² |
spotřeba vzduchu (tryska 8 mm) | cca 3 m³/min | cca 3 m³/min | cca 3 m³/min | cca 3 m³/min |
cyklon | ano | ano | ano | ano |








